När det gäller små AVR-processorer har man ofta ont om pinnar,
och man vill då ogärna ansluta en LCD-display med många ledningar.
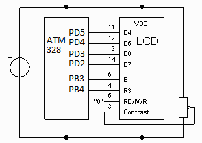
Alla LCD-displayer har därför en finess som gör att tecken och kommandon kan "matas in" med 2 st 4-bitarstal (nibble) i följd, i stället för med ett 8-bitarstal (byte). I så fall räcker det med att man ansluter 4 dataledningar och 2 styrledningar ( om man avstår från att kunna läsa i LCD-kretsens register, med RD/!WR ).
Det kommando som "ställer in" om 8 eller 4 dataledningar ska användas måste ges först.
Detta kommando har naturligtvis valts så att de 4 mest signifikanta bitarna räcker för att skilja det från de övriga kommandona!

Kopplingsdäck/Arduino R3, exempel med 8+8 tecken på samma rad

Fritzing
LCD8-8.fzz
Programexempel för display med 8+8 tecken på samma rad.
Utrustningen är från början programmerad att skriva "Hello world" på displayen.
(Som "Hello wo" + "rld! " )
LCD8-8_C.txt
( for Arduino use code stored as: LCD8-8_C\LCD8-8_C.ino )
Egendefinierade tecken?
Man kan ladda in pixeldefinitioner på upp till 8 egendefinierade tecken.
De tecknen nås därefter med "ASCII-koderna" 0 ... 7.
(Observera att ASCII-koden 0 är C:s strängslutstecken - det kan därför vara bra att undvika att definiera om just detta tecken).
För oss i Sverige är det naturligt att använda sex av de egendefinierade tecknen för å ä ö Å Ä Ö,
så kvar för helt "egna" symboler blir då två tecken.
Ett programexempel (för 8+8 displayen) med egendefinierade tecken som skriver "Hallå världen!" på displayen.
udcLCD8-8_C.txt
( for Arduino use code stored as: udcLCD8-8_C\udcLCD8-8_C.ino )
Efter att ha studerat programexemplet udcLCD8-8_C kan Du säkert räkna ut hur
"hur slipsten ska dras" (dvs. hur man gör) och komponera ett eget tecken...

( Se gärna Mark Owen's sida om egendefinierade tecken )
Kopplingsdäck med två rader, 2x16
LCD-displayerna kommer i många olika utföranden.
Det finns displayer med olika antal rader och olika många tecken per rad.
Raderna har då olika startadresser i LCD kretsens buffer minne.
Två olika kontakt-typer och olika placering av kontakterna förekommer.
Om displayen har bakgrundsbelysning så ansluts denna till matningsspänningen +5V (pin 15) och jord,
gnd ( pin16) med en strömbegränsande resistor i serie (220 Ohm).


- Programexempel för display med två 16 tecken rader.
- "Hello World! "
- "Hello Kitty! "
LCD2x16_C.txt
( for Arduino use code stored as: LCD2x16_C\LCD2x16_C.ino )
Tillbaka till startsidan
William Sandqvist
william@kth.se